- Gaines non thermorétractables à paroi mince
- Gaines thermorétractables à paroi mince avec Adhésif
- Gaines thermorétractables à paroi moyenne avec ou sans adhésif
- Autres Series des gaine thermo-rétractable
- Manchons thermorétractables d'identification
- WO-80500BK (N85) Ruban
- WO Étiquette imprimable tubes thermorétractable
- RSFR-M manchon de repérage thermorétractable
- HNF-M manchon de repérage thermorétractable
- HMS-M manchon de repérage thermorétractable
- Étiquettes d'identification
- DIN-M manchon de repérage thermorétractable
- AMS-M manchon de repérage thermorétractable
- Connecteurs séparables accessorie
- Connecteur séparable
- Matériaux résistants au feu céramique
- Rétractable à froid câble accessoires
- Les accessoires de câbles thermorétractable
- Appliqués à froid câble accessoires
- Câbles & fils
- Autres produits
HNF-M manchon de repérage thermorétractable
Description:
HNF-M manchons d'identification est un tubes thermorétractable aplatie conçue pour l'identification de fils et câbles harnais. Il peut également être utilisée pour les applications où des caractéristiques de danger de feu limitée sont nécessaires. Le matériau sans halogènes couplé avec peu de fumée et les émissions de fumées toxiques faibles font de ce produit parfaitement utilisé dans les espaces clos comme que les transports en commun, de la marine et des installations industrielles. Norme NF F16-101 rencontre, SAE-AS 81531, MIL-STD-202F / Méthode 215J, RoHS, etc.
| Matériel | Le manchonnage doit être fabriquée à partir irradié, thermiquement stabilisée et ignifugées modifié composé de polyoléfine contenant pas de cadmium ou des halogènes dans la formulation. |
| Domaines d'application | Commerciale, environnement industriel |
| Plage de température d'utilisation | -40---+125 ℃ |
| Min. température de restauration | +85 ℃ |
| Max. température de stockage | +50 ℃ |
| Rapport de rétreint | 2:1, 3:1 |
| Couleur | Blanc, Jaune, l'autre couleur est disponible si commandées |
| Mode d'impression | Impression simple face et double a dégrossi impression les formats disponibles |
| Mode fourni | Type continu ou type de format de ladder est disponible |
| Imprimantes recommandées | Imprimante à transfert thermique |
| Rubans recommandés | Ruban de résine WO-80500BK, Noir, 100mm (largeur) * 300m (longueur) |
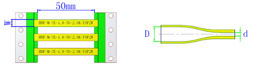
Dimensions de produit
Rapport de rétreint-2X
| Numéro de pièce | Comme fournis (mm) | Après récupération (mm) | |||
| ID(D) | Aplatir la largeur (w) | Epaisseur double du gant | ID(d) | Simple épaisseur de paroi | |
| HNF-M-2X-1.6-50-2.5K-Y0P0O | 2.00±0.20 | 3.7±0.3 | 0.48±0.10 | ≤0.79 | 0.45±0.06 |
| HNF-M-2X-2.4-50-2.5K-Y0P0O | 2.79±0.20 | 5.0±0.3 | 0.48±0.10 | ≤1.18 | 0.49±0.06 |
| HNF-M-2X-3.2-50-2.0K-Y0P0O | 3.64±0.23 | 6.3±0.4 | 0.48±0.10 | ≤1.59 | 0.51±0.06 |
| HNF-M-2X-4.8-50-2.0K-Y0P0O | 5.26±0.25 | 8.9±0.4 | 0.49±0.10 | ≤2.36 | 0.54±0.06 |
| HNF-M-2X-6.4-50-1.5K-Y0P0O | 6.92±0.28 | 11.5±0.4 | 0.50±0.10 | ≤3.18 | 0.56±0.06 |
| HNF-M-2X-9.5-50-1.0K-Y0P0O | 10.2±0.32 | 16.7±0.5 | 0.51±0.11 | ≤4.75 | 0.59±0.06 |
| HNF-M-2X-12.7-50-1.0K-Y0P0O | 13.5±0.36 | 21.8±0.6 | 0.52±0.11 | ≤6.35 | 0.60±0.07 |
| HNF-M-2X-19-50-0.5K-Y0P0O | 20.1±0.40 | 32.2±0.6 | 0.53±0.11 | ≤9.53 | 0.62±0.07 |
| HNF-M-2X-25-50-0.5K-Y0P0O | 26.7±0.45 | 42.5±0.7 | 0.55±0.12 | ≤12.7 | 0.63±0.07 |
| HNF-M-2X-38-50-0.5K-Y0P0O | 39.8±0.51 | 63.2±0.8 | 0.57±0.12 | ≤19.1 | 0.64±0.07 |
| HNF-M-2X-51-50-0.25K-Y0P0O | 53.0±0.56 | 83.9±0.9 | 0.58±0.13 | ≤25.4 | 0.64±0.08 |
| HNF-M-2X-76-50-0.25K-Y0P0O | 79.4±0.56 | 125.3±1.0 | 0.59±0.13 | ≤38.1 | 0.64±0.09 |
Rapport de rétreint-3X
| Numéro de pièce | Comme fournis (mm) | Après récupération (mm) | |||
| ID(D) | Aplatir la largeur (w) | Epaisseur double du gant | ID(d) | Simple épaisseur de paroi | |
| HNF-M-3X-1.6-50-2.5K-Y0P0O | 2.00±0.20 | 3.7±0.3 | 0.47±0.10 | ≤0.53 | 0.52±0.06 |
| HNF-M-3X-2.4-50-2.5K-Y0P0O | 2.79±0.20 | 5.0±0.3 | 0.47±0.10 | ≤0.79 | 0.57±0.06 |
| HNF-M-3X-3.2-50-2.0K-Y0P0O | 3.64±0.23 | 6.3±0.4 | 0.48±0.10 | ≤1.06 | 0.61±0.06 |
| HNF-M-3X-4.8-50-2.0K-Y0P0O | 5.26±0.25 | 8.9±0.4 | 0.49±0.10 | ≤1.59 | 0.67±0.06 |
| HNF-M-3X-6.4-50-1.5K-Y0P0O | 6.92±0.28 | 11.5±0.4 | 0.50±0.10 | ≤2.36 | 0.71±0.06 |
| HNF-M-3X-9.5-50-1.0K-Y0P0O | 10.2±0.32 | 16.7±0.5 | 0.52±0.11 | ≤3.18 | 0.77±0.06 |
| HNF-M-3X-12.7-50-1.0K-Y0P0O | 13.5±0.36 | 21.8±0.6 | 0.53±0.11 | ≤4.75 | 0.80±0.07 |
| HNF-M-3X-19-50-0.5K-Y0P0O | 20.1±0.40 | 32.2±0.6 | 0.55±0.11 | ≤6.35 | 0.84±0.07 |
| HNF-M-3X-25-50-0.5K-Y0P0O | 26.7±0.45 | 42.5±0.7 | 0.56±0.12 | ≤8.47 | 0.86±0.07 |
| HNF-M-3X-38-50-0. 5K-Y0P0O | 39.8±0.51 | 63.2±0.8 | 0.57±0.12 | ≤12.9 | 0.89±0.07 |
| HNF-M-3X-51-50-0.25K-Y0P0O | 53.0±0.56 | 83.9±0.9 | 0.57±0.13 | ≤17.2 | 0.90±0.08 |
| HNF-M-3X-76-50-0.25K-Y0P0O | 79.4±0.56 | 125.3±1.0 | 0.57±0.13 | ≤25.8 | 0.92±0.09 |
Informations sur le package
| Commande en tailles (HNF-M-2X/3X) | Ladder le type de format | Type continu | |
| Petite boîte d'emballage (PCS/ Boîte) | A- bobine de papier d'emballage (m/ moulinet ) | B-plastique moulinet d'emballage (m/ moulinet ) | |
| Φ1.6 | 2500 | 50 | 25 |
| Φ2.4 | 2500 | 50 | 25 |
| Φ3.2 | 2000 | 100 | 25 |
| Φ4.8 | 2000 | 100 | 25 |
| Φ6.4 | 2000 | 100 | 25 |
| Φ9.5 | 1000 | 100 | 25 |
| Φ12.7 | 1000 | 100 | 25 |
| Φ19 | 500 | 100 | 25 |
| Φ25 | 500 | 100 | 25 |
| Φ38 | 500 | 50 | 25 |
| Φ51 | 250 | 50 | 25 |
| Φ76 | 250 | 50 | — |
Système de numération de partie
| Code de couleur | BL | Br | R | Or | Y | G | Blu | V | Gr | W |
| Couleur | Noire | Brun | Rouge | Orange | Jaune | Verte | Bleu | Violette | Gris | Blanc |
Remarque: jaune et blanc sont standard, l'autre couleur est disponible si commandées.

Español
Français
Deutsch
Português
English
中文